本试卷共100分。考试时长90分钟。
第一部分
本部分共14题,每题3分,共42分。在每题列出的四个选项中,选出最符合题目要求的一项。
1.下列说正确的是
A.布朗运动的剧烈程度与温度无关
B.布朗运动是液体分子的无规则运动
C.分子间同时存在着引力和斥力
D.分子间的引力总是随分子间距增大而增大
2.下列哪些现象或者效应能说明光具有粒子性
A.偏振现象 B.干涉现象 C.康普顿效应 D.衍射现象
3.某单摆的简谐运动图像如图所示,取
,下列描述正确的是

A.摆长为
B.摆长为
C.
时,小球的速度最大,加速度为零
D.
时,小球的速度最大,加速度为零
4.已知巴耳末系对应的光谱线是可见光,那么莱曼系对应的光谱线与前者相比有

A.可能是紫外线
B.可能是红外线
C.光的波长会更长
D.在真空中的传播速度会更大
5.对于一定质量的理想气体,下列说法正确的是
A.若体积不变、温度升高,则每个气体分子热运动的速率都增大
B.若体积减小、温度不变,则器壁单位面积受气体分子的碰撞力不变
C.若体积变大,则内能一定变小
D.若体积减小、温度不变,则气体分子密集程度增大,压强一定增大
6.如图所示,理想变压器的原线圈接在
的交流电源上,副线圈接有
的负载电阻,原、副线圈匝数之比为2∶1,电流表、电压表均为理想电表。下列说法正确的是

A.原线圈的输入功率为
B.电流表的读数为
C.电压表的读数为
D.副线圈输出交流电的周期为
7.如图所示,
为同一条电场线上的三点,
为
中点.
电势分别为
,则

A.
点的电势一定为4V
B.
点处的场强一定比
点处的场强大
C.
点处的场强与
点处的场强一定相等
D.正电荷从
点运动到
点电势能一定减少
8.卡文迪许把自己的扭秤实验称为”称量地球的质量”,在测得万有引力常数
后,知道下列哪个选项中的物理量,就可算出地球质量
A.地球表面的重力加速度
B.地球表面的重力加速度和地球半径
C.绕地球表面做圆周运动的物体的运动周期
D.地球绕太阳运动的周期和运动半径
9.在威尔逊云室中观察静止在
点的原子核发生
衰变后,放出的粒子和生成核在匀强磁场中做圆周运动的径迹,可能是下列四个图中的:(图中的两段曲线分别是半径不同的两段圆弧,表示两个粒子运动径迹由
点开始的一部分)

10.穿过闭合回路的磁通量
随时间
变化的图像分别如下图①~④所示。下列关于回路中产生的感应电动势的论述中正确的是( )
A.图①中回路产生的感应电动势恒定不变
B.图②中回路产生的感应电动势一直在变大
C.图③中回路
时间内产生的感应电动势小于在
时间内产生的感应电动势
D.图④中回路产生的感应电动势先变小再变大

11.如图所示,某人把质量为
的石块从距地面
高处以初速度
抛出,
方向与水平方向夹角为
(
),石块最终落在水平地面上。若空气阻力可忽略,则下列说法不正确的是

A.石块和地球构成的系统的机械能守恒
B.石块在运动全程中的动量变化量为
C.石块落地时的动能大小为
D.人对石块做功大小为
12.伽利略相信,自然界的规律是简单明了的。他从这个信念出发,猜想落体的速度应该是均匀变化的。为验证自己的猜想,他做了”斜面实验”,如图所示。发现铜球在斜面上运动的位移与时间的平方成正比。改变球的质量或增大斜面倾角,上述规律依然成立。于是,他外推到倾角为90°的情况,得出落体运动的规律。结合以上信息,判断下列说法正确的是

A.伽利略通过”斜面实验”来研究落体运动规律是为了便于测量速度
B.伽利略通过”斜面实验”来研究落体运动规律是为了便于测量加速度
C.本实验合理地运用了外推法,证明了自由落体运动是匀变速直线运动
D.由”斜面实验”的结论可知,铜球运动的速度随位移均匀增大
13.在利用单摆测重力加速度的实验中,下列哪些操作会使得测得的重力加速度
的值偏大
A.摆线过长,摆角过小
B.在测量摆长时,将线长和小球直径之和作为了摆长
C.摆球的质量过大
D.测量周期时,时间
内全振动次数少数了一次。
14.新冠病毒的整体尺寸一般在30-80nm,用光学显微镜即可观察。但如果病毒团聚在一起,就无能为力了.就需要继续放大,一般5-10万倍,可以有效观察到单个病毒。如果要清晰识别病毒形态,那还需要继续放大10-15万倍比较好。这时就需要借助一种更加专业的仪器设备——电子显微镜。用光学显微镜观察物体时,由于衍射,被观测的物体上的一个光点经过透镜后不再会聚为一点而是形成了一个光斑,这样物体的像就模糊了;电子束也是一种波,把电子加速后,它的德布罗意波比可见光波长短得多,衍射现象的影响就小的多,这样就可以极大地提高显微镜的分辨能力。已知物质波的波长为
为物体的动量,
为普朗克常数。根据以上材料下列说法正确的是
A.该材料的信息了说明电子具有粒子性
B.为了进一步提高电子显微镜的分辨本领,应当降低加速电子的电压
C.相比电子显微镜,质子显微镜的分辨本领更强
D.电子的动量越小,电子显微镜的分辨本领越强
第二部分
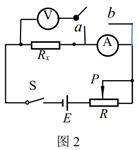
15.通过实验测量金属丝的电阻率。
(1)用螺旋测微器测量金属丝的直径,某次测量示数如图1所示可得金属丝直径的测量值
。

(2)按图2所示的电路测量金属丝的电阻
(阻值约为5Ω)。实验中除开关、若干导线之外还提供了下列器材:

器材(代号) | 规格 |
电压表( | 量程 0~3V |
电压表( | 量程 0~15V |
电流表( | 量程 0~3A |
电流表( | 量程 0~0.6A |
滑动变阻器( | 总阻值约 20 |
滑动变阻器( | 总阻值约 500 |
电源(E) | 电动势约为 3.0V |
从以上器材中选择合适的器材进行测量,电压表应选
,电流表应选
,滑动变阻器应选
(填器材代号)。
(3) 小明将开关分别接通了a处和b处,通过观察,他认为将开关与a处接通进行实验实验误差较小, 请描述小明看到的现象__________________________,本实验中的误差是_______________(填系统误差或者偶然误差),电阻的测量值
和其真实值
的大小关系是
______

(4)小明对(3)中出现了误差很不满意,他在实验中放 弃了伏特表,而是选用了量程为IG,内阻为RG 的电流 计G,还有量程为99999欧的电阻箱,小明设想的实验电 路图如图所示,并写出该实验中待测电阻的测量值R的 表达式(描述表达式中各个物理量的物理意义)。
16.用如图1所示的电路图测量一节干电池的电动势和内阻。

(1)在下表中选出适当的实验器材进行实验。
器材(代号) | 规格 |
电压表( | 0~3V,内阻约3k |
电压表( | 0~15V,内阻约15k |
电流表( | 0~0.6A,内阻约0.125 |
电流表( | 0~3A,内阻约0.025 |
滑动变阻器( | 总阻值约20 |
滑动变阻器( | 总阻值约1000 |
待测干电池 | 电动势约为1.5V |
开关(S) | |
导线若干 |
实验中电流表应选用_____;电压表应选用_____;滑动变阻器应选用____(填器材代号)。
(2)本实验的误差来源是___________________(电压表分流或者安培表分压)
(3)小明用伏特表和电阻箱来替代伏特表、安培表和滑动变阻器,自己设计了实验电路;通过调节电阻箱的阻值
得到了相应的电压表的示数
,小明利用这些数据通过描点法画图像得到了一条直线,已知纵轴代表
,则横轴代表的物理量为
;已知图线得截距为
,斜率为
,则电池的电动势为_____________, 内阻为_______________

17.如图所示为一滑梯的实物图,滑梯的斜面段长度
,倾角
,水平段与斜面段平滑连接。某小朋友从滑梯顶端由静止开始滑下,经斜面底端后水平滑行一段距离,停在滑道上。已知小朋友质量为
,小朋友与滑梯轨道间的动摩擦因数
,不计空气阻力。已知
。(
取
)。求小朋友:
(1)沿滑梯下滑时所受摩擦力的大小;
(2)滑到斜面底端时的速度大小;
(3)在水平段滑行至停止过程中摩擦力做的功。

18.(9分)如图所示,垂直于纸面的匀强磁场磁感应强度为
。纸面内有一正方形均匀金属线框
,其边长为
,每边电阻为
边与磁场边界平行。从
边刚进入磁场直至
边刚要进入的过程中,线框在垂直磁场边界向左的拉力作用下以速度
匀速运动,求:
(1)
两点间的电压大小
(2)拉力所做的功
;
(3)通过线框某一横截面的电量
为多大?

19.(10分)(1)从距水平地面足够高的一点以初速度
平抛一小球,已知,小球的质量为
,重力加速度为
.
①.以抛出时刻为零时刻,经过时间
,小球的动量变化量为多大?
②.红星中学的李华同学和牛栏山中学的李桦同学对该运动展开了讨论,李华认为如果增大平抛的初速度,小球的运动时间变长,而重力做功的大小不变,所以小球落地时重力的功率变小;而李桦则认为即使增大初速度,小球落地时重力的功率也不变。请你判断谁的观点正确,并给出你的解答。
(2)如果小球从倾角为
的斜坡上的一点做平抛运动,请论证当小球每次落到斜坡上时的运动方向一定是平行的,与初速度
大小无关

20.(12分)
激光由于其单色性好、亮度高、方向性好等特点,在科技前沿的各个领域有着广泛的应用,已知光在真空中的传播速度为
,普朗克常量为
,光子的能量
与动量
的关系是
。
(1)科研人员曾用强激光做过一个有趣的实验:一个小玻璃平片被一束强激光托在空中。已知激光照射到小玻璃片上的功率为
,假设激光竖直向上照射,照到玻璃片上的激光被全部吸收掉,重力加速度为
。求小玻璃片的质量
(2)激光冷却和原子捕获技术在科学上意义重大,特别是对生物科学将产生重大影响。所谓激光冷却就是在激光的作用下使得热运动的原子减速,其具体过程如下:一质量为
的原子沿着
轴负方向运动,频率为
的激光束迎面射向该原子,以速度
运动着的原子就会吸收迎面而来的光子从基态跃迁到激发态,而处于激发态的原子会很快又自发地辐射光子回到基态。原子自发辐射的光子方向是随机的,假设以上过程中,原子的速度已经很小,光子向各方向辐射的可能性可认为是均等的。
①设原子单位时间内与
个光子发生相互作用,求运动原子做减速运动的加速度;
②已知处于基态的某静止原子能够吸收频率为
的光子,从而跃迁到它的第一激发态。假设以速度
运动着的原子吸收迎面而来的光子从基态跃迁到激发态,该原子发生吸收光子后,原子的速度就变为
,方向未变。已知该过程也遵循能量守恒定律和动量守恒定律,为了求原子的速度
,请列出相应的守恒定律对应的方程。

【试题答案】
选择每题3分
题号 | 1 | 2 | 3 | 4 | 5 | 6 | 7 | 8 | 9 | 10 | 11 | 12 | 13 | 14 |
答案 | C | C | D | A | D | B | D | B | C | D | B | C | B | C |
15.(10分)
(1)2.000或者1.999(2分)
(2)


(3分)
(3)伏特表示数变化较大;系统误差;小于(3分)
(4)
,
和
分别是
电流计和安培表的示数,
是电阻箱的示数(2分)
16.(8分)(1)A1V1R1(3分)(2)电压表分流(3分)
(3)
(2分)
17.(9分)(1)小孩在斜面上滑行时所受的摩擦力大小为
…………………………2分
(2)小孩在斜面上滑行时,由牛顿第二定律得
…………………………2分
解得
…………………1分
由运动学公式
解得小孩滑至B点时的速度大小为
…………………………2分
(3)小孩在水平段滑行时,由动能定理得
(2分)
18.(9分)解:(1)电路中的电动势为
,则
即:
(3分)
(2)拉力F大小等于安培力,

所以
(3分)
(3)
联立得:
(3分)
19.(10分)解:(1)由动量定理得:动量变化量为
(2分)
(2)牛栏山中学的李桦同学的观点正确
因为
为重力和落地时瞬时速率的夹角。而
是小球落地时小球在竖直方向的速率
。因为
为定值,所以两球落地时功率相同(4分)
(3)小球每次落到斜坡上时,偏向角为
,合位移和水平方向夹角皆为
。又
所以有:
,即每次落到斜面上时速度的偏向角都相同,所以平行(4分)
20.(12分)
(1)由题得:
(1分)
经过时间t,以入射的光子为研究对象,由动量定理得:
(1分)
设
为光对玻璃板的作用力,由牛顿第三定律
(1分)
因为玻璃板静止,则有:
(1分)
联立解得:
(1分)
(2)①方法1.:在时间
内,由动量守恒定律得:

和
分别是原子与激光作用前后的速度(2分)
即:
得:
(1分)
方法2:在时间
内,对光子由动量定理得:
(1分)则
由牛三律得:
(1分)
所以
的加速度为
(1分)
②由能量守恒定律得:
(2分)
由动量守恒定律得:
(2分)
)
)
)
)
)
)
)
)
)
)
)
)