本试卷共100分。考试时长90分钟。
第一部分
(选择题
共42分)
本部分共14小题,每小题3分,共42分。在每小题列出的四个选项中,选出最符合题目要求的一项。
1. 关于运动物体的速度和加速度的关系,下列说法正确的是
A. 速度很大时,加速度可以为零
B. 速度为零时,加速度也一定为零
C. 速度增大时,加速度可能为零
D. 速度减小时,加速度一定减小
2. 下列属于超重现象的是
A. 汽车驶过拱形桥顶端
B. 航天器随火箭从地面向上加速发射
C. 人在电梯中随电梯减速上升
D. 宇航员随宇宙飞船绕地球做匀速圆周运动
3. 如图所示,从同一点沿同一水平方向多次抛出小球,其中三次分别落在台阶上A、B、C三点,用tA、tB、tC分别表示三次小球运动的时间,vA、vB、vC分别表示三次小球被抛出时的速度,则

A.
B.
C.
D.
4. 一物块在外力F作用下沿粗糙斜面向上运动,一段时间后撤去F,物块继续沿斜面运动,如图所示为物块运动的v-t图像(沿斜面向上方向为正方向),则

A. 物块在t1时刻距离斜面底端最远
B. 外力F作用的时间为0到t2时间段
C. 在t2时刻物块开始沿斜面向下运动
D. 在t3时刻物块回到了斜面底端
5. 如图所示,一个小球在力F作用下以速率v做匀速圆周运动,若从某时刻起小球的运动情况发生了变化,对于引起小球沿a、b、c三种轨迹运动的原因说法正确的是

A. 沿a轨迹运动,可能是F减小了一些
B. 沿b轨迹运动,一定是F减小了
C. 沿c轨迹运动,可能是v减小了
D. 沿b轨迹运动,一定是v减小了
6. 如图所示,光滑绝缘水平面上带有同种电荷的A、B两个小球质量分别为m1,m2,当相距一定距离时同时由静止释放,在释放后的任一时刻,A、B两小球的下列关系正确的是

A. 受力之比等于m1:m2
B. 加速度之比等于m1:m2
C. 动量之比等于m2:m1
D. 动能之比等于m2:m1
7. 动圈式话筒的结构图如图所示,当对着话筒讲话时,声音使膜片振动,与膜片相连的线圈跟随一起振动,产生随声音变化的电流。下列说法正确的是

A. 动圈式话筒的原理与奥斯特实验的原理相同
B. 动圈式话筒的原理与电动机的原理相同
C. 动圈式话筒将声音信号转换为电信号
D. 线圈中的电流方向会随着声音变化,电流大小不会随之变化
8. 如图所示,在高为h的粗糙平台上,有一个质量为m的小球,被一根细线拴在墙上,球与墙间有一根被压缩的轻质弹簧。当烧断细线时,小球被弹出,小球落地时速度大小为v。从烧断细线到小球刚要落地的过程,下列说法正确的是

A. 小球离开弹簧时的动能是
B. 弹簧弹力做的功等于
C. 弹簧弹力与重力做功的和等于
D. 弹簧弹力与摩擦力做功的和等于

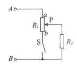
9. 如图所示,滑动变阻器的最大阻值是R1,定值电阻的阻值是R2,A、B两端的电压恒定为U,R2两端的电压用U2表示,则

A. 开关S断开时,滑片P从a移动到b,U2从0变化到U
B. 开关S闭合时,滑片P从a移动到b,U2从0变化到U
C. 若R1比R2小很多,开关S断开时,滑片P从a移动到b,U2的改变量远小于U
D. 若R1比R2小很多,开关S闭合时,滑片P从a移动到b,U2的改变量远小于U
10. 如图所示,在光滑水平面上固定一条形磁铁,某时刻使水平面上正对磁铁的铝球获得一个指向磁铁轴线的初速度,则

A. 铝球将做匀速直线运动
B. 铝球将做减速直线运动
C. 铝球将做加速直线运动
D. 铝球将做曲线运动
11. 如图所示,磁场区域的边界为圆形,磁感应强度大小为B,方向垂直纸面向里。带电粒子从a点以初速度v0,,正对磁场中心O进入磁场,从b点离开磁场时速度方向偏转了
。若同样的粒子从a点以大于v0的速度沿原方向进入磁场。从c点(图中未画出)离开磁场,粒子在磁场中运动的时间为t,速度方向偏转的角度为θ,不计粒子重力。正确的是

A. 粒子带正电荷 B. c点在b点左方
C.
D.
12. 某市在冬季常见最大风力为9级(风速约20m/s到24m/s)。如图所示的该市某品牌抗风卷帘门面积为S,单位面积所能承受的最大压力为F。设空气密度为ρ,空气吹到卷帘门上速度立刻减为零,则此卷帘门能承受的垂直方向最大风速v等于

A.
B.
C.
D.
13. 利用如图所示电路做”观察电容器充、放电现象”的实验。实验开始时,先将S拨到1,稳定后再将S拨到2。下列说法正确的是

A. S接1时,电流表的指针从零位置逐渐偏转到最大角度并保持不变
B. S接1时,电压表的指针最初偏转一个最大的角度,然后逐渐回到零位置
C. S接2时,小灯泡由暗逐渐变亮
D. S接2时,电流表的指针最初偏转一个最大的角度,然后逐渐回到零位置
14. 当气体温度升高到一定程度时,其中的分子或原子将由于激烈的相互碰撞而离解为电子和正离子,这种状态的物质叫等离子体。等离子体有很多奇妙的性质,例如,宇宙中的等离子体会发生”磁冻结”。满足某种理想条件的等离子体内部不能有电场存在,但是可以有磁场。如图所示,一块这样的等离子体从很远处向着磁场B运动,在移进磁场的过程中,下列对等离子体行为的解释错误的是

A. 由于变化的磁场产生电场,因此等离子体内部的磁场不能随时间变化
B. 设想磁场刚要进入等离子体时就感应出了电流,则此电流的磁场与磁场B方向相反
C. 如等离子体内部原来没有磁场,则穿越磁场的过程中其内部磁场一直为零
D. 如等离子体内部原来没有磁场,则穿越磁场的过程中其外部的磁感线不会发生变化
第二部分
(非选择题
共58分)
本部分共6题,共58分。
15. (9分)
(1)某实验小组测定某种金属的电阻率,他们选取了该材料一段粗细均匀的金属丝进行粗测,选用多用电表”×1“欧姆挡测量其阻值,示数如图。读出金属丝电阻值为___________Ω。

(2)已知实验中所用的滑动变阻器阻值范围为0~10Ω,电流表内阻约几欧,电压表内阻约20 kΩ。电源为干电池组,则以下电路图中应当采用___________(选填甲或乙)电路进行实验。但用电路测量电阻的结果仍然会有误差,会比真实值偏_____________。

(3)实验正确操作获得金属丝的长度L,直径D以及电流表读数I、电压表的读数U,则此材料电阻率的表达式为___________(用题中字母表示)。
16. (9分)
在用打点计时器研究小车速度随时间变化规律的实验中,得到一条纸带如图所示。A、B、C、D、E、F、G为计数点(任两计数点间还有四个点未画出),相邻计数点间时间间隔为
。

(1)根据图上数据,则打B点时小车的速度是________m/s,小车的加速度是_________m/s2。(结果保留2位有效数字)

(2)某同学用以下办法绘制了小车运动的v-t图像:先把纸带每隔T=0.1s剪断,得到若干段纸条,长度分别为x1、x2、x3、x4、x5、x6。再把这些纸条并排贴在一张纸上,使这些纸条的下端对齐,作为时间轴,标出时间。最后根据纸条上端中心位置做一条直线,于是得到v-t图像(如上图所示)。
a. t1处应标为___________s;v1处应标为__________(此空用第(2)问中的字母表示);
b. 请说明利用纸条长度表示瞬时速度所依据的原理____________________。
17. (9分)
如图所示,一质量m=1kg的小物块放在水平地面上A点,A点与竖直墙面的距离为2m,物块与地面间的动摩擦因数μ=0.8。若小物块从A点以v0=9m/s的初速度向正对墙面方向运动,在与墙壁碰撞后以
的速度反弹。g取10m/s2,小物块可视为质点。
(1)求小物块在地面上运动时的加速度大小a;
(2)求小物块与墙壁碰撞前瞬间的速度大小v;
(3)若已知碰撞时间为t=0.1s,求碰撞过程中墙与物块间平均作用力的大小F。

18.(9分)
如图所示,两根足够长的平行光滑金属导轨水平放置,其间距为L,处于方向竖直向下的匀强磁场中,磁感应强度大小为B。在导轨上垂直导轨放置一根金属棒ab,金属棒在两导轨之间部分的电阻为r,在导轨左侧接有一个阻值为R的定值电阻,除R和r外其余部分电阻均不计。现对ab施加一瞬时冲量,使其获得水平向右的初速v0,并开始向右滑动。

(1)求刚开始滑动时,金属棒ab中电流的大小,并判断方向。
(2)请说明金属棒ab的运动情况并在图2中定性画出v-t图像。
(3)请证明:在金属棒ab运动过程中,克服安培力做的功W克安等于产生的电能
。
19.(10分)
已知地球的质量为M,半径为R,自转的周期为T,引力常量为G。赤道上地球表面附近的重力加速度用ge表示,北极处地球表面附近的重力加速度用gN表示,将地球视为均匀球体。
(1)用已知量写出gN的表达式;
(2)请比较ge与gN的大小并求出二者的差值;
(3)体育比赛中的田赛可分为跳跃、投掷两类项目,田赛成绩会受到纬度的影响。已知迄今男子跳高世界纪录为2.45m,铅球世界纪录为23.12m(铅球运动中最高点约8m)。请分析并说明在运动员体能和技巧都确定的情况下,比赛在高纬度地区和低纬度地区进行相比,哪里更容易创造世界纪录?对跳高和铅球这两项比赛来说,因纬度不同造成运动成绩的数值变化更大的是哪项?(不考虑空气阻力和海拔高度的影响)
20. (12分)
如图所示,三个带有同种电荷的小球,由三根等长的绝缘轻线相连,构成等边三角形,静止于水平光滑绝缘桌面上,桌面上C点到三角形三个顶点的距离相等。已知三个小球质量均为m,电荷量均为q,轻线长均为
,小球的质量和电荷量可认为集中在球心,轻线不可伸长。

(1)求小球1和小球2间绝缘轻线拉力的大小FT。
(2)若三个小球与绝缘轻线组成的系统以C点为圆心做匀速圆周运动,轻线拉力为静止时拉力的3倍,求小球1的动能Ek。
(3)在(2)中所述的系统匀速圆周运动的某时刻,若三条轻线同时绷断,则之后当小球1到C点的距离变为绷断前2倍时,
a. 求系统的动量P;
b. 求小球1的动能
。(已知相距为r的两个点电荷q1、q2间具有相互作用的电势能,其大小为
,k为静电力恒量。当空间中有两个以上点电荷时,任意两电荷间都具有相互作用的电势能,且均可由上式计算,系统的电势能为任意两点电荷间电势能的代数和。不考虑运动过程中的电磁辐射。)
【试题答案】
第一部分:共14小题,每小题3分,共42分。
题号 | 1 | 2 | 3 | 4 | 5 | 6 | 7 | 8 | 9 | 10 | 11 | 12 | 13 | 14 |
答案 | A | B | B | C | C | D | C | D | C | B | D | B | D | D |
第二部分:共6小题,共58分。
15.(9分)
(1)6 (2)甲
小
(3)
16.(9分)
(1)0.14 0.40(0.39)
(2)a. 0.1
b. 匀变速直线运动中间时刻的瞬时速度等于这段运动的平均速度
17.(9分)
(1)由牛顿第二定律
,得
(2)由动能定理
,得
(3)以反弹后速度方向为正方向,由动量定理
,得
18.(9分)
(1)ab棒中的电流方向为b向a。
金属棒刚开始滑动时,感应电动势大小为
由闭合电路欧姆定律可得
(2)金属棒做加速度减小的减速运动。
图像见答图

(3)当金属棒速度为v时,取一小段时间
,设这段时间内电流大小为i,则这段时间内克服安培力做功
产生的电能
由于任意小段时间内都有
,因此对整个过程也有
19.(10分)
(1)由
①,得
(2)以静止于赤道地面上的物体m为研究对象,设其受到地面的支持力为F,因其随地球自转做匀速圆周运动,因此有
②,
③,
①②③联立可知
;二者的差值为
;
(3)按竖直上抛运动来分析跳高,最大高度
,可见,若起跳速度v不变,低纬度地区g小,则H大;铅球运动的竖直分运动为竖直上抛,低纬度地区g小,则铅球在空中运动的时间t长,于是水平射程x也长。因此在低纬度地区,更容易创造世界纪录。
(重力加速度的影响也体现在运动员投掷或起跳获得初速度的做功过程中,g值小的地方重力小,同一运动员以相同的体能可将同一质量的物体以更大的初速度抛出。)
由于铅球在空中运行时间远大于跳高时人体在空中的时间,因此对于不同地区g的相同差值,铅球在空中时间长,在不同纬度地区成绩数值变化更大。
20.(12分)
(1)球1静止时:
(2)球1做匀速圆周运动时:
,
其中
,因此小球1的动能
(3)a. 轻线绷断前任一时刻三个小球的速度方向如答图所示,将mv1、mv2、mv3在同一坐标系内正交分解,可知系统的初动量为零。

由于除彼此间相互作用外不受外力,因此三小球组成的系统动量守恒。
所以,当绳子绷断后的任一时刻,系统的动量与绳子绷断前相等,即小球1到C点的距离变为绷断前2倍时,P=0。
b. 由任一时刻三球速度矢量和为零(即三个矢量构成封闭三角形),且三个球初态位置构成等边三角形可知,当小球1到C点的距离变为绷断前2倍时,三个球速度的大小仍相等且三球位置仍构成等边三角形。由系统能量守恒:
从绳子刚绷断到题目所求位置的过程中,电场力做正功,系统减少的电势能等于增加的动能:
,可得
。